FY反渗透纯水系列
BFY袋式过滤器
WFL精密过滤器
活性炭过滤器
SZB压力式机械过滤器
游泳池过滤设备
毛发过滤器设备
除二氧化碳器
FY离子交换器软化器
SJZ紫外线杀菌器
核桃壳过滤器
手摇刷式过滤器
JCL净水器
FY-B型净水器设备
水箱、储罐
超滤纳滤装置
列管换热器
FY组和型净水器
家用净水器
SW型生活污水处理装置
除铁除锰设备
非标机械类
线路板专用器具
成功案例
 
 
 
TY游泳池过滤设备系列
  石英砂过滤器是游泳池循环水处理系统中的主要设备,本过滤器采用均质石英砂为滤料。该滤料具有强度高、寿命长、处理水量大、出水稳定可靠的显著优点,该设备运行周期长,操作简便。

型号

重要尺寸(mm)

计量泵供液管

药箱材质

搅拌电机功率(kw)

计量泵选型

设备重量
(kg)

运行重量
(kg)

H

H1

D

DN1

JYG-0.4

1080

850

705

10

1、钢衬胶

2、不锈钢

0.37

1、     流量4-27L/h压力0.2-1.0Mpa电压220V/380V功率0.1kw

2、     流量55-1000L/h压力0.2-1.0Mpa电压220V/380V功率0.55kw

3、     流量350-4400L/h压力0.2-0.4Mpa电压220V/380V功率2.2kw

95

290

JYG-0.5

1080

850

905

10

0.37

154

550

JYG-0.6

1330

1100

905

10

0.55

166

670

JYG-0.8

1330

1100

1005

15

0.55

253

850

JYG-1.0

1330

1100

1115

15

0.75

286

1080

JYG-1.2

1430

1200

1215

15

0.75

341

1340

JYG-1.5

1430

1200

1315

20

0.75

378

1580

JYG-1.7

1480

1250

1415

20

0.75

428

1930

 

项目\型号

SL-800

SL-1200

SL-1600

SL-2000

SL-2400

SL-2600

循环水流(T/h)

10-15

25-35

40-60

65-100

90-140

105-160

滤层高度(mm)

1000

1000

1000

1000

1000

1000

滤器内径D(mm)

800

1200

1600

2000

2400

2600

总高H(mm)

2700

2900

2950

2950

3150

3250

基础尺寸(mm)

900*900

1300*1300

1400*1400

1600*1600

1900*1900

2000*2000

进水管直径DN1(mm)

50

80

100

150

200

250

进水管直径DN2(mm)

50

80

100

150

200

250

罐体重量(kg)

600

800

1200

1600

2100

2400

工作重量(kg)

3500

5000

9000

14000

20000

23000

 
 
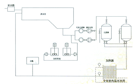
游泳池工艺流程图
点击图片放大
技术特性

  过滤速度:0.2-30m/h
  滤料粒径:0.6-1.2mm
  反冲洗强度:12-15L/s*m*m
  工作温度计:5-30℃
  滤层阻力:>0.05Mpa
  反冲洗时间:4-6min
  滤后出水方式:<=3
  进出水方式:上下进出水或测向进出水
  设备设计寿命:10年

 
 

版权所有:袋式过滤器_篮式过滤器专家-无锡市凡宇水处理机械制造有限公司
电话:0510-83502007 传真:0510-83751326