|
活性炭过滤器(TJ活性炭净水器)系列
|
| |
|
活性炭过滤器广泛应用于水处理工艺,如饮用水的深度净化;酿酒、饮料等行业用水的深度净化处理;工艺冷凝水的除油、除有机物等的处理;纯水、高纯水制备工艺的前处理;工业废水及生活污水的净化处理等。设备运行时,被处理水自过滤器上部进入,自上而下的通过活性炭滤层,利用活性炭的吸附性能,使水中的有害物质,如有机物、胶体、微生物、油类、余氯、及嗅味等吸附在活性炭表面而被去除,当活性炭滤层“失效”后,可用反冲洗的方法使其恢复吸附能力。
活性炭过滤器的工作是通过炭床来完成的。组成炭床的活性炭颗粒有非常多的微孔和巨大的比表面积,具有很强的物理吸附能力。水通过炭床,水中有机污染物被活性炭有效地吸附。此外活性炭表面非结晶部分上有一些含氧管能团,使通过炭床的水中之有机污染物被活性炭有效地吸附。活性炭过滤器是一种较常用的水处理设备,作为水处理脱盐系统前处理可有效保证后级设备使用寿命,提高出水水质,防止污染,特别是防止后级反渗透膜,离子交换树脂等的游离态余氧中毒污染。
TJ系列活性炭净水器。该器结构合理,使用方便,适用于水质要求较高的各种饭店、宾馆、部队、车站、码头、工矿企事业单位,作为生活应用水的深度净化设备。该设备与紫外线饮水消毒器配套使用,可以作为酿造饮料、食品、制药、化工等工业用水的理想净水设备。同时也可作为工业污水后给处理设备。
|
|
| |
| 主要技术参数 |
|
项目\型号
|
TJ-D100
|
TJ-D150
|
TJ-D160
|
TJ-D180
|
TJ-D200
|
TJ-D250
|
TJ-D300
|
|
处理水量
(米3/时)
|
7
|
18
|
20
|
23
|
28
|
40
|
65
|
|
停留时间
(分)
|
10
|
10
|
10
|
10
|
10
|
10
|
10
|
|
过滤速度
(米/时)
|
8-10
|
8-10
|
8-10
|
8-10
|
8-10
|
8-10
|
8-10
|
|
活性炭粒度
(目)
|
8-26
|
8-26
|
8-26
|
8-26
|
8-26
|
8-26
|
8-26
|
|
炭床厚度
(毫米)
|
1200
|
1500
|
1500
|
1500
|
1500
|
1500
|
1500
|
|
冲洗强度
(升/秒米2)
|
10
|
10
|
10
|
10
|
10
|
10
|
10
|
|
冲洗压力
(公斤/厘米2)
|
3
|
3
|
3
|
3
|
3
|
3
|
3
|
|
冲洗历时
(分)
|
7-10
|
7-10
|
7-10
|
7-10
|
7-10
|
7-10
|
7-10
|
|
| |
|
|
| |
| 设备性能 |
|
|
重量公斤
|
|
|
|
设计
|
浊度(mg/l)
|
色度(度)
|
|
规格
|
设备
|
行运
|
工作压力
|
工作温度
|
水压试验
压力
|
最大出
力T/H
|
进水
|
出水
|
进水
|
出水
|
|
φ1000
|
1250
|
2450
|
≤6kgf/cm2
|
5-50℃30℃
|
≤9kgf/cm2
|
7
|
≤5
|
≤2
|
≤15
|
≤5
|
|
φ1200
|
1500
|
2600
|
≤6kgf/cm2
|
5-50℃30℃
|
≤9kgf/cm2
|
10
|
≤5
|
≤2
|
≤15
|
≤5
|
|
φ1500
|
2200
|
5200
|
≤6kgf/cm2
|
5-50℃30℃
|
≤9kgf/cm2
|
18
|
≤5
|
≤2
|
≤15
|
≤5
|
|
φ1600
|
2400
|
6000
|
≤6kgf/cm2
|
5-50℃30℃
|
≤9kgf/cm2
|
20
|
≤5
|
≤2
|
≤15
|
≤5
|
|
φ1800
|
3100
|
7000
|
≤6kgf/cm2
|
5-50℃30℃
|
≤9kgf/cm2
|
23
|
≤5
|
≤2
|
≤15
|
≤5
|
|
φ2000
|
3900
|
8600
|
≤6kgf/cm2
|
5-50℃30℃
|
≤9kgf/cm2
|
28
|
≤5
|
≤2
|
≤15
|
≤5
|
|
φ2500
|
5500
|
25000
|
≤6kgf/cm2
|
5-50℃30℃
|
≤9kgf/cm2
|
40
|
≤5
|
≤2
|
≤15
|
≤5
|
|
φ3000
|
8700
|
30000
|
≤6kgf/cm2
|
5-50℃30℃
|
≤9kgf/cm2
|
65
|
≤5
|
≤2
|
≤15
|
≤5
|
|
| |
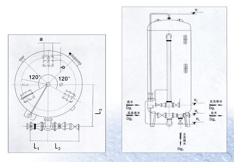
| 技术参数 |
|
直径\尺寸mm
|
H
|
H1
|
H2
|
H3
|
H4
|
L1
|
L2
|
L3
|
Dg1
|
Dg2
|
Dg3
|
Dg4
|
Dg5
|
Dg6
|
φ
|
a
|
b
|
α
|
|
φ400
|
2800
|
800
|
800
|
815
|
900
|
550
|
550
|
400
|
40
|
40
|
40
|
40
|
40
|
25
|
700
|
80
|
650
|
20°
|
|
φ600
|
2800
|
800
|
800
|
815
|
1000
|
550
|
550
|
550
|
50
|
50
|
50
|
50
|
50
|
25
|
750
|
80
|
650
|
20°
|
|
φ800
|
2872
|
800
|
800
|
815
|
1200
|
600
|
600
|
700
|
65
|
65
|
65
|
65
|
65
|
32
|
800
|
100
|
800
|
20°
|
|
φ1000
|
2872
|
905
|
905
|
935
|
1261
|
629.5
|
629.5
|
750
|
80
|
80
|
80
|
80
|
80
|
40
|
990
|
160
|
125
|
20°
|
|
φ1200
|
2872
|
915
|
915
|
950
|
1300
|
750
|
750
|
850
|
80
|
80
|
80
|
80
|
80
|
40
|
1100
|
170
|
930
|
20°
|
|
φ1500
|
3469
|
1025
|
1025
|
1065
|
1426
|
870
|
870
|
1000
|
80
|
80
|
100
|
80
|
100
|
50
|
1540
|
180
|
140
|
20°
|
|
φ1600
|
3500
|
1025
|
1025
|
1065
|
1426
|
870
|
870
|
1000
|
80
|
80
|
100
|
80
|
100
|
50
|
1500
|
180
|
140
|
20°
|
|
φ2000
|
3610
|
1000
|
1000
|
1160
|
1481
|
882.5
|
882.5
|
1255
|
100
|
100
|
150
|
100
|
150
|
80
|
1800
|
250
|
200
|
20°
|
|
φ2500
|
4020
|
1150
|
1150
|
1220
|
1661.5
|
1032.5
|
1032.5
|
1500
|
125
|
125
|
150
|
125
|
150
|
100
|
2000
|
350
|
300
|
20°
|
|
φ3000
|
4480
|
1200
|
1200
|
1324
|
1811
|
1178.5
|
1178.5
|
1750
|
150
|
150
|
200
|
150
|
200
|
100
|
2400
|
400
|
300
|
20°
|
|
φ3200
|
4645
|
1200
|
1200
|
1566
|
1811
|
1280
|
1280
|
1920
|
150
|
150
|
250
|
150
|
200
|
100
|
2400
|
450
|
350
|
20°
|
|
| |